When quality is a non-negotiable
Home
Doors
Drawer Boxes
Finish
Quality Standards
Order
More
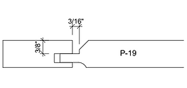
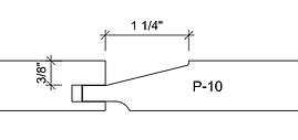
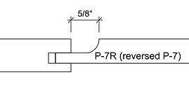
*Note: Limited options for inside edge (SR) and Panel (P) profiles on routed products. Labeled HDF next to Profile.